Мы используем cookie для наилучшего представления нашего сайта. Подробнее об этом в Политике конфиденциальности.
Ок

Нижневартовск

Ваш город:
Нижневартовск (Ханты-Мансийский автономный округ)?
Нет
Да
Каталог
Каталог Написать в WhatsApp
Мотоэкипировка

Кронштейн 2-Х ТАКТНОГО ПЛМ SEA-PRO T30P

Кронштейн 2-Х ТАКТНОГО ПЛМ SEA-PRO T30P в Нижневартовске: актуальный каталог, цены, фото, описание. Купите кронштейн 2-х тактного плм sea-pro t30p в кредит – оформите заявку онлайн за 1 минуту!

Оригинальные запчасти

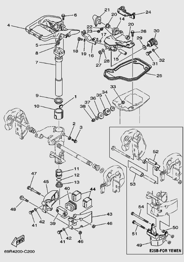
Артикул НАИМЕНОВАНИЕ Кол-во деталей в узле Примечание Наличие Цена Аналоги Фото
1 PNFM40E-14001 Пластина фрикционная

Под заказ

N/A

Под заказ

уточнить

Купить
2 15FMH-14003 Демпферный уплотнитель

Под заказ

N/A

Под заказ

уточнить

Купить
3 372-15003 Болт М6*22

Под заказ

N/A

Под заказ

уточнить

Купить
4 372-15004 Ручка переноски с рычагом

Под заказ

N/A

Под заказ

уточнить

Купить
5 372-15005 Втулка

Под заказ

N/A

Под заказ

уточнить

Купить
6 963-16003 Болт М6*20

Под заказ

N/A

Под заказ

уточнить

Купить
7 372-15007 Вал крепления рычага

Под заказ

N/A

Под заказ

уточнить

Купить
8 PNFM40E-02006 Штифт

Под заказ

N/A

Под заказ

уточнить

Купить
9 372-15009 Фрикционный вкладыш

Под заказ

N/A

Под заказ

уточнить

Купить
10 372-15010 Втулка вала дейдвуда верхняя

Под заказ

N/A

Под заказ

уточнить

Купить
11 372-15011 Втулка вала дейдвуда нижняя

Под заказ

N/A

Под заказ

уточнить

Купить
12 372-15012 Кольцо уплотнительное 2,5*40

Под заказ

N/A

Под заказ

уточнить

Купить
13 372-15013 Уплотнитель

Под заказ

N/A

Под заказ

уточнить

Купить
14 372-15014 Кронштейн рулевого механизма

Под заказ

N/A

Под заказ

уточнить

Купить
15 372-15015 Втулка

Под заказ

N/A

Под заказ

уточнить

Купить
16 372-15016 Кронштейн рычага

Под заказ

N/A

Под заказ

уточнить

Купить
17 15FMH-02011 Штифт

Под заказ

N/A

Под заказ

уточнить

Купить
18 372-15020 Втулка

Под заказ

N/A

Под заказ

уточнить

Купить
19 372-15021 Заглушка

Под заказ

N/A

Под заказ

уточнить

Купить
20 15FMH-14001 Штуцер

Под заказ

N/A

Под заказ

уточнить

Купить
21 372-15024 Амортизатор

Под заказ

N/A

Под заказ

уточнить

Купить
22 372-15025 Уплотнитель

Под заказ

N/A

Под заказ

уточнить

Купить
23 15FMH-10013 Болт М6*25

Под заказ

N/A

Под заказ

уточнить

Купить
24 372-15027 Гайка М10

Под заказ

N/A

Под заказ

уточнить

Купить
25 372-15028 Шайба 22*10*1,5

Под заказ

N/A

Под заказ

уточнить

Купить
26 372-15029 Шайба

Под заказ

N/A

Под заказ

уточнить

Купить
27 372-15030 Демпфер верхний, боковой

Под заказ

N/A

Под заказ

уточнить

Купить
28 372-15027 Гайка М10

Под заказ

N/A

Под заказ

уточнить

Купить
29 372-15034 Шайба

Под заказ

N/A

Под заказ

уточнить

Купить
30 372-15035 Демпфер верхний, боковой

Под заказ

N/A

Под заказ

уточнить

Купить
31 372-15036 Шайба

Под заказ

N/A

Под заказ

уточнить

Купить
32 372-15028 Шайба 22*10*1,5

Под заказ

N/A

Под заказ

уточнить

Купить
33 372-15027 Гайка М10

Под заказ

N/A

Под заказ

уточнить

Купить
34 372-15039 Держатель кожуха нижний

Под заказ

N/A

Под заказ

уточнить

Купить
35 372-15040 Держатель кожуха нижний

Под заказ

N/A

Под заказ

уточнить

Купить
36 PNF40E-07032 Болт М8*25

Под заказ

N/A

Под заказ

уточнить

Купить
37 372-15043 Держатель кожуха внешний

Под заказ

N/A

Под заказ

уточнить

Купить
38 372-15044 Держатель кожуха внутренний

Под заказ

N/A

Под заказ

уточнить

Купить
39 15FMH-14018 Гайка

Под заказ

N/A

Под заказ

уточнить

Купить
40 PNF40E-04010 Болт М8*100

Под заказ

N/A

Под заказ

уточнить

Купить
41 372-15048 Болт М8*55

Под заказ

N/A

Под заказ

уточнить

Купить

Нулевая цена не означает отсутствие товара. Оформите заказ, и менеджер сообщит вам цену и наличие товара, предварительно запросив их у поставщика

Главная Магазины
Корзина0
Профиль